電動控制閥門接線圖,控制電路圖是什么呢?電動閥門接線方式是根據不同的使用要求以及現場工況不同所分類的,不同功能的電動執行器所采用的接線方式也都是不盡相同。用戶應當對接線方面的相關知識有所了解,以免出現不必要的故障發生, 一方面導致整個電路短路故障;另一方面,可能會導致機器等燒壞而產生的巨大經濟損失,甚至出現更嚴重的事故。電動閥門執行器按電源電壓一般可分交流( AC110V、AC220V、AC380V) , 直流( DC24V、DC12V ) , 按控制方式分為有源開關式、無源開關式、電位計型、調節型等。( 相關產品:電動開關蝶閥電動調節蝶閥電動開關球閥電動調節球閥)
有源開關式,普通開關型帶有源燈接線圖,無源開關式,開關型無源觸點型帶反饋接線圖,開度式電位計型,開關型帶開度式接線圖,智能調節式,輸入輸出4-20mA,智能調節型接線圖,交流AV380V,帶無源觸點反饋,380V電源接線圖,直流DC24V,交換正負正開關同時無源信號反饋,24V電源接線圖

電動閥門接線方式是根據不同的使用要求以及現場工況不同所分類的,不同功能的電動執行器所采用的接線方式也都是不盡相同。用戶應當對接線方面的相關知識有所了解,以免出現不必要的故障發生, 一方面導致整個電路短路故障;另一方面,可能會導致機器等燒壞而產生的巨大經濟損失,甚至出現更嚴重的事故。電動閥門執行器按電源電壓一般可分交流( AC110V、AC220V、AC380V) , 直流( DC24V、DC12V ) , 按控制方式分為有源開關式、無源開關式、電位計型、調節型等。( 相關產品:電動開關蝶閥電動調節蝶閥電動開關球閥電動調節球閥)
有源開關式,普通開關型帶有源燈接線圖無源開關式,開關型無源觸點型帶反饋接線圖,開度式電位計型,開關型帶開度式接線圖,智能調節式,輸入輸出4-20mA,智能調節型接線圖,交流AV380V,帶無源觸點反饋,380V電源接線圖,直流DC24V,交換正負正開關同時無源信號反饋,24V電源接線圖,電動調節閥的動力電源分兩種。一種是三相AC380V。一種是AC220V單相電。以單相電為例: 接動力電源線AC220V兩根。與電動調節閥的電源端相接。弱電控制線四根。分別為輸入兩根、輸出兩根。(信號最常用的有4-20mA,也有0-10V等弱電控制信號) 其中調節閥的輸入端按照正負極接系統的控制端。調節閥的輸出端按照正負極接系統的反饋端。
電動控制閥門接線圖,控制電路圖電動閥控制器到閥體之間的接法!控制器的開控制線應該接在閥體的開輸入端子上,關控制線接在閥體的關輸入端子上,這兩個信號應該是干接點信號,其電壓應該是24V的或者更高電壓的,你沒有說明其電壓,但我猜是直流24V的,那么將這兩個信號的公共端與閥體的公共端連接,第四根反饋信號線是個4~20mA的模擬信號,應該是控制器接收閥體的開度信號的,所以只要接在閥體的相應反饋信號端子上就行了!我認為上述開信號,關信號及反饋信號其電壓應該都是24V電壓,所以才會有一根公共端信號線!接完線,看看控制器的說明書,設置一下,調試一下就沒問題了!搞控制的接線和調試要多琢磨琢磨!
(220V電動閥接線圖)
從發電廠輸送到市里的電力經過變壓器后就是三相四線電.你可以發現電桿上并排掛著四根電線,其中有一根是零線,術語叫中性線(N),其余三根線叫火線.兩根火線間電壓是380V,一根零線(N)與任意一根火線間電壓是220V.如果你生活在城市的大樓,你還可以看到三根火線和一根零線被合理的分配到各個單元.如果你住的那單元空調等電器設備特別的多,電力負荷過大,用電壓表測量電壓明顯比其它用電量小的單元樓電壓要低些.嚴重的造成電器不能正常啟動和運轉.
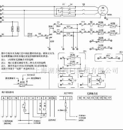
電動蝶閥根據不同的應用場合,可配置不同的電動執行器,他們接線方法也是不同的,比如:開關型、調節型、信號反饋的形式、220V、380V、DC24等等,所以在對電動蝶閥選型時,這些因素都要考慮進去,以下的電動蝶閥接線圖是我公司的精小型電動執行器的接線圖,客戶可根據采購的種類對照接線,有不清楚的地方,請致電我宇柯技術服務部門。
注:每個廠家生產的電動執行器接線方法可能有所不同,所以不在我公司采購的電動蝶閥,請勿以此為接線方法,以免造成電機損壞。
電動控制
閥門接線圖,控制電路圖220VAC標準開關型電動蝶閥接線圖(無源觸點信號反饋)220VAC標準調節型電動蝶閥接線圖(無源觸點信號反饋)220VAC開關型電動蝶閥接線圖(電阻值和無源觸點信號反饋)、380VAC標準開關型電動蝶閥接線圖(無源觸點信號反饋)220VAC開關型電動蝶閥接線圖(4-20mA和無源觸點信號反饋)DC24V標準開關型電動蝶閥接線圖(無源觸點信號反饋)首先要看電動閥是什么類型的,是整體型的還是普通型的,如果是整體型電動執行器就接個電源就行了,一般是380V和220V電源,然后根據自己的需要再接開到位和關到位的信號線、還有遠控線、閥位反饋信號常用4~20ma,過力矩保護故障信號。普通型電動閥門要配有控制箱,電機就是有正傳和反轉,還有行程的到位信號一般開到位信號是有常開點和常閉點,關到位也有常開和常閉兩個點根據自己的需要接線,然后就是控制線開控制和關控制有的是4根線也有的廠家用的三根線,還有閥位,有的是用電位器接三根線,也有的裝了閥位變送器接兩根線,還有過力矩保護故障信號。
電動閥門是由電動執行器和閥體組成的,有很多客戶不知道電動閥的接線方式,下面就為大家詳細的講解一下。
六線制電動閥所配精小型電動執行器分為開關式和調節式,并由驅動開關控制和信號反饋控制組成。
開關式六線制電動閥的六個接線端子功能為:1、2、3為驅動控制,4、5、6為信號反饋控制;
1、2接通時,閥門打開,同時保持4、5形成回路,反饋電動閥開到位信號;
1、3接通時,閥門關閉,同時保持4、6形成回路,反饋電動閥關到位信號。
調節式六線制電動閥的六個接線端子功能為:
1、2為電動驅動控制,可接AC220V或DC24V電源電壓(如需380V電壓則另外說明),
3、4為輸入信號控制,可接收4-20mA電流信號或0-10V電壓信號
5、6為輸出信號反饋控制,可相應的反饋4-20mA電流信號或0-10V電壓信號,便于遠程操作控制