
企業動態
閥門首頁 > 新聞資訊 > 企業動態 > 

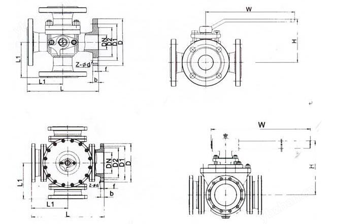
零件材料:
|
閥體/閥蓋 |
GB |
WCB |
ZGlCrl8Ni9Ti |
ZGOCfl8Nil2M02Ti |
|||
|
ASTM |
WCB |
CF8 |
CF8M |
||||
|
球體 |
GB |
2Crl3 |
1Cfl8Ni9Ti |
0Cfl8Ni12M02Ti |
|||
|
ASTM |
420 |
304 |
316 |
||||
|
閥桿 |
GB |
2Crl3 |
1Crl8Ni9Ti |
0Crl8Ni12M02Ti |
|||
|
ASTM |
420 |
304 |
316 |
||||
|
閥座 |
GB |
聚四氟乙烯 |
對位聚苯 |
聚四氟乙烯 |
對位聚苯 |
聚四氟乙烯 |
對位聚苯 |
|
ASTM |
聚四氟乙烯 |
對位聚苯 |
聚四氟乙烯 |
對位聚苯 |
聚四氟乙烯 |
對位聚苯 |
|
|
填料 |
GB |
聚四氟乙烯 |
柔性石墨 |
聚四氟乙烯 |
柔性石墨 |
聚四氟乙烯 |
柔性石墨 |
|
ASTM |
聚四氟乙烯 |
柔性石墨 |
聚四氟乙烯 |
柔性石墨 |
聚四氟乙烯 |
柔性石墨 |
|
|
螺栓 |
GB |
35 |
0Crl8Ni9 |
0Crl8Ni9 |
|||
|
ASTM |
A193B7 |
A320-B8 |
A320-B8 |
||||
|
螺母 |
GB |
45 |
0Cfl8Ni9 |
0Crl8Ni9 |
|||
|
ASTM |
A1942H |
A194-8 |
A194-8 |
||||

性能規范:
|
公稱壓力(MPa) |
常溫最大工作壓力(MPa) |
殼體試驗壓力(MPa) |
氣密封試驗壓力(MPa) |
高壓密封試驗壓力(MPa) |
|
PN1.6 |
1.6 |
2.4 |
0.6 |
1.76 |
|
PN2.5 |
2.5 |
3.8 |
0.6 |
2.75 |
|
PN4.0 |
4.0 |
6.0 |
0.6 |
4.4 |
|
l50LB |
2.0 |
3.0 |
0.6 |
2.2 |
上一篇: 十堰不銹鋼三通球閥廠家供貨,三通球閥廠家安裝方便 / 下一篇:大口徑閥門閘閥廠家,大口徑閥門生產廠家